Kelebihan Produk
- Kecekapan Tinggi:Panel solar 545W Kanada sangat cekap, dengan kadar penukaran tenaga melebihi 21%. Ini bermakna bahawa mereka dapat menangkap lebih banyak tenaga daripada matahari dan menukarnya kepada elektrik yang boleh digunakan, menjadikannya lebih berkesan daripada banyak pilihan panel solar yang lain.
- Reka bentuk dua belah:Tidak seperti panel solar tradisional yang hanya mempunyai reka bentuk satu sisi, panel solar 545W Kanada adalah dua sisi. Ini bermakna bahawa mereka dapat menangkap cahaya matahari dari kedua-dua belah pihak, meningkatkan pengeluaran tenaga mereka dan menjadikannya lebih cekap secara keseluruhan.

- Tahan lama dan boleh dipercayai:Panel solar 545W Kanada dibina untuk bertahan, dengan reka bentuk kukuh yang boleh menahan keadaan cuaca yang teruk, termasuk hujan, salji dan angin kencang. Mereka juga disokong oleh jaminan yang boleh dipercayai, memastikan bahawa mereka akan memberikan tenaga yang boleh dipercayai untuk tahun-tahun akan datang.
- Mesra alam:Kuasa suria ialah sumber tenaga yang bersih dan mampan, dan panel solar 545W Kanada tidak terkecuali. Ia tidak menghasilkan pelepasan, menjadikannya pilihan terbaik untuk mengurangkan jejak karbon anda dan membantu melindungi alam sekitar.
- Serbaguna dan Boleh Disesuaikan:Panel solar 545W Kanada boleh digunakan dalam pelbagai tetapan, daripada rumah kediaman ke bangunan komersial dan juga di lokasi terpencil yang kekurangan akses kepada sumber kuasa tradisional. Ia juga boleh digabungkan dengan sistem tenaga boleh diperbaharui lain seperti kuasa angin atau pemanasan geoterma untuk kecekapan yang lebih besar.

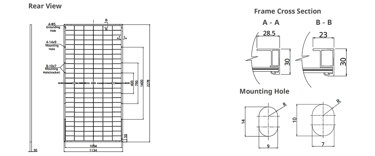
Lukisan Kejuruteraan (mm)

Data Mekanikal
|
Jenis Sel |
Mono-hablur |
|
Susunan Sel |
144 [2 X (12 X 6) ] |
|
Dimensi |
2278 ˣ 1134 ˣ 30 mm (89.7 ˣ 44.6 ˣ 1.18 in) |
|
Berat badan |
32.3 kg (71.2 paun) |
|
Kaca Depan |
2.0 mm kaca diperkukuh haba dengan salutan anti-pantulan |
|
Kaca Belakang |
2.0 mm kaca diperkukuh haba |
|
Bingkai |
Aloi aluminium anodized |
|
J-Box |
IP68, 3 diod pintasan |
|
Kabel |
4 mm² (IEC), 12 AWG (UL) |
|
Penyambung |
T6 atau MC4 atau MC4-EVO2 atau MC4-EVO2A |
|
Panjang kabel (Termasuk Penyambung) |
Potret: 350 mm (13.8 in) (+) / 250 mm (9.8 in) (-);atau panjang tersuai |
|
Setiap Pallet |
36 keping |

Parameter Elektrik Di STC
|
|
Maks. Kuasa (Pmax) |
Beroperasi voltan (Vmp) |
Beroperasi semasa (Imp) |
Litar voltan (VOC) |
Litar semasa (Isc) |
Modul Kecekapan |
|
|
CS6W-530MB-AG |
530W |
40.9V |
12.96A |
48.8V |
13.80A |
20.5% |
|
|
Keuntungan dwimuka |
5% |
557W |
40.9V |
13.62A |
48.8 V |
14.49A |
21.5% |
|
10% |
583W |
40.9V |
14.26A |
48.8 V |
15.18A |
22.6% |
|
|
20% |
636W |
40.9V |
15.55A |
48.8 V |
16.56A |
24.6% |
|
|
CS6W-535MB-AG |
535W |
41.1V |
13.02A |
49.0V |
13.85A |
20.7% |
|
|
Keuntungan dwimuka |
5% |
562W |
41.1V |
13.68A |
49.0V |
14.54A |
21.8% |
|
10% |
589W |
41.1V |
14.34A |
49.0V |
15.24A |
22.8% |
|
|
20% |
642W |
41.1V |
15.62A |
49.0V |
16.62A |
24.9% |
|
|
CS6W-540MB-AG |
540W |
41.3V |
13.08A |
49.2V |
13.90A |
20.9% |
|
|
Keuntungan dwimuka |
5% |
567W |
41.3V |
13.73A |
49.2V |
14.60A |
21.9% |
|
10% |
594W |
41.3V |
14.39A |
49.2V |
15.29A |
23.0% |
|
|
20% |
648W |
41.3V |
15.70A |
49.2V |
16.68A |
25.1% |
|
|
CS6W-545MB-AG |
545W |
41.5V |
13.14A |
49.4V |
13.95A |
21.1% |
|
|
Keuntungan dwimuka |
5% |
572W |
41.5V |
13.80A |
49.4V |
14.65A |
22.2% |
|
10% |
600W |
41.5V |
14.46A |
49.4V |
15.35A |
23.2% |
|
|
20% |
654W |
41.5V |
15.77A |
49.4V |
16.74A |
25.3% |
|
|
CS6W-550MB-AG |
550W |
41.7V |
13.20A |
49.6V |
14.00A |
21.3% |
|
|
Keuntungan dwimuka |
5% |
578W |
41.7V |
13.87A |
49.6V |
14.70A |
22.4% |
|
10% |
605W |
41.7V |
14.52A |
49.6V |
15.40A |
23.4% |
|
|
20% |
660W |
41.7V |
15.84A |
49.6V |
16.80A |
25.5% |
|
*Di bawah Syarat Ujian Standard (STC) sinaran 1000 W/m2, spektrum AM 1.5 dan suhu sel 25 darjah .
*Gain Dwimuka: Keuntungan tambahan dari bahagian belakang berbanding dengan kuasa bahagian hadapan pada keadaan ujian standard. Ia bergantung pada pemasangan (struktur, ketinggian, sudut kecondongan dll.) dan albedo tanah.

Parameter Elektrik Pada NOCT
|
|
Maks. Kuasa (Pmax) |
Beroperasi voltan (Vmp) |
Beroperasi semasa (Imp) |
Litar voltan (VOC) |
Litar semasa (Isc) |
|
CS6W-530MB-AG |
397W |
38.3V |
10.38A |
46.1V |
11.13A |
|
CS6W-530MB-AG |
401W |
38.5V |
10.42A |
46.3V |
11.17A |
|
CS6W-530MB-AG |
405W |
38.7V |
10.47A |
46.5V |
11.21A |
|
CS6W-530MB-AG |
409W |
38.9V |
10.52A |
46.7V |
11.25A |
|
CS6W-530MB-AG |
412W |
39.1V |
10.55A |
46.9V |
11.29A |
*Di bawah Suhu Kendalian Modul Nominal (NMOT), sinaran 800 W/m2, spektrum AM 1.5, suhu ambien 20 darjah , kelajuan angin 1 m/s.
Parameter teknikal
|
Suhu Operasi |
-40 darjah ~ +85 darjah |
|
Maks. Voltan Sistem |
1500 V (IEC/UL) atau 1000 V (IEC/UL) |
|
Prestasi Kebakaran Modul |
JENIS 29 (UL 61730) atau KELAS C (IEC61730) |
|
Maks. Penilaian Fius Siri |
30 A |
|
Klasifikasi Aplikasi |
Kelas A |
|
Toleransi Kuasa |
0 ~ + 10 W |
|
Kuasa Dwimuka |
70 % |
|
Pekali Suhu (Pmax) |
-0.34 % / darjah |
|
Pekali Suhu (Voc) |
-0.26 % / darjah |
|
Pekali Suhu (Isc) |
0.05 % / darjah |
|
Suhu Operasi Modul Nominal |
41 ± 3 darjah |

Kerjasama Jenama
Jingsun dengan bangganya mengumumkan kerjasama strategiknya yang mendalam dengan banyak syarikat solar terkemuka. Perkongsian ini membolehkan kami menggabungkan kepakaran dan sumber kami untuk mempercepatkan pembangunan teknologi tenaga suria. Dengan bekerjasama, kita boleh mencapai matlamat bersama untuk menyediakan penyelesaian tenaga bersih yang mampan untuk masa depan yang lebih baik. Kerjasama ini juga akan membolehkan kami meluaskan jangkauan dan impak kami, menjangkau lebih ramai pelanggan dengan produk dan perkhidmatan solar yang canggih. Kami teruja dengan usaha baharu ini dan mengharapkan impak positifnya terhadap industri solar.

Soalan Lazim
S: Apakah saiz panel solar dua sisi Kanada 545W?
S: Bagaimanakah sifat dua muka panel ini berfungsi?
S: Apakah jenis aplikasi yang boleh digunakan oleh panel solar dua belah Kanada 545W?
S: Bagaimanakah panel solar dua sisi Kanada 545W dipasang?

Cool tags: cs6w 545ms, China cs6w 545ms pengilang, pembekal, kilang



